
А STM8S103F3P6 является 8-битным микроконтроллером, изготовленным STMicroelectronics, известной своей впечатляющей функциональностью и бесшовной интеграцией.Это компактное устройство оснащено стилем монтажа устройства (SMD) с поверхностным устройством, воплощающим расширенное ядро и периферийные устройства, которые тщательно изготовлены с использованием передовых технологий.С тактовой частотой 16 МГц, STM8S103F3P6 обладает надежной способностью ввода/вывода, обеспечивая эффективную обработку и обработку данных.Его независимый таймер наблюдения, оснащенный независимым источником часов и системой безопасности часов, гарантирует оптимальную производительность и устойчивость устройства против потенциальных сбоев.
Одной из его выдающихся функций является его флэш-память, которая обеспечивает нелетую хранилище для кода и данных.С диапазоном рабочих напряжений, охватывающей от 2,95 В до 5,5 В, этот микроконтроллер очень универсален и адаптируется к различным приложениям.Кроме того, он предлагает широкий диапазон рабочей температуры от -40 ° C до 85 ° C, что делает его подходящим для развертывания в различных условиях окружающей среды.
• MSP430G2353
• PIC16LF18444T
• STM8S103F3P3
• STM8S103F3P3TR
• STM8S103F3P6TR


Низкое энергопотребление: он имеет множество режимов низкого энергопотребления на выбор, включая режим холостого хода, режим сна, режим глубокого сна и режим выключения, которые могут эффективно продлить срок службы батареи и экономить энергию.
Высокая производительность: он принимает высокопроизводительную архитектуру STM8, которая позволяет рабочей частоте достигать 16 МГц, что значительно улучшает скорость выполнения инструкций и обеспечивает более эффективные вычислительные возможности для наших приложений.
Многочисленные интерфейсы связи: он поддерживает различные интерфейсы связи, включая SPI (серийный периферический интерфейс), I2C и UART.Через эти интерфейсы он может легко общаться и взаимодействовать с внешними устройствами для достижения большего количества функций и приложений.
Обильные периферийные устройства: микроконтроллер STM8S103F3P6 имеет обильные периферические ресурсы, включая 16 КБ флэш -памяти и 1 КБ памяти оперативной памяти, а также широко используемые интерфейсы, такие как контакты GPIO, таймеры и UART.Разнообразие этих периферийных устройств делает устройство подходящим для различных сценариев применения и может удовлетворить потребности различных областей и отраслей.Будь то промышленный контроль, умный дом или встроенные системы, STM8S103F3P6 может обеспечить поддержку.

STM8S103F3P6 упакован в тонкую упаковку с небольшим схем (TSSOP) и имеет 20 контактов.Корпус и расстояние между свинцами меньше, чем стандартные пакеты SOIC.Типичной особенностью TSSOP является формирование контактов вокруг упакованного чипа, что делает его подходящим для монтажного проводки на ПХД с использованием технологии SMT.При использовании пакета TSSOP паразитные параметры (нарушение выходного напряжения, вызванное большими изменениями в токе) меньше, поэтому он подходит для высокочастотных применений.Этот вид пакета более удобен для работы и имеет более высокую надежность.
У пакета TSSOP есть следующие функции:
• Небольшое расстояние между штифтами: расстояние между штифтами, как правило, 0,5 мм или 0,65 мм.Благодаря проектированию медных баров
• Широкий объем применения: его можно применить к различным областям применения, таким как микроконтроллеры, DSP, чипы памяти и чипы питания.
• Высокое количество PIN -код: количество выводов, как правило, составляет от 20 до 64, что может соответствовать определенным требованиям интеграции ChIP.
• Небольшой размер упаковки: по сравнению с обычными небольшими контурами (SO) пакетами, его размер упаковки меньше, толщина тоньше, а объем меньше, что делает его подходящей для упаковки интегрированных цепей высокой плотности.
• Высокая производительность: он принимает технологию поверхностного крепления, имеет хорошую проводимость и коррозионную стойкость и может соответствовать особым требованиям, таким как высокая скорость, высокая частота, миниатюризация и так далее.
Если не указано иное, все напряжения относятся к VSS.
Минимальные и максимальные значения гарантируются в наиболее неблагоприятных условиях, охватывающих температуру окружающей среды, напряжение питания и частоты.Эти гарантии устанавливаются с помощью строгих производственных испытаний, выполняемых на 100% устройств, проведенных при температуре окружающей среды TA = 25 ° C и TA = TAMAX (как определено избранным диапазоном температуры).
Значения, основанные на результатах характеристики, моделирования проектирования и/или технологических характеристик, изложены в сносках таблицы и не подвергаются тестированию производства.Что касается характеристики, минимальные и максимальные значения относятся к оценке выборки и обозначают среднее значение с диапазоном плюс или минус в три раза превышают стандартное отклонение (среднее ± 3σ).
Если явно не указан иное, стандартные данные устанавливаются с помощью TA = 25 ° C, VDD = 5 В. Эти значения предоставляются исключительно в качестве конструктивных ссылок и не подвергаются тестированию.
Типичная точность значений ADC устанавливается посредством характеристики набора образцов из стандартной диффузионной партии в полном диапазоне температур.В этом контексте 95% устройств демонстрируют ошибку в пределах указанного значения (среднее значение ± 2σ).
Если не указано конкретно, все стандартные графики предназначены исключительно в качестве дизайнерских ссылок и не подвергались тестированию.
Превышение указанных абсолютных максимальных рейтингов может привести к постоянному повреждению устройства.Эти оценки указывают исключительно ограничения напряжения, которые может выдержать устройство, и не подразумевается, что устройство будет функционировать должным образом в этих условиях.Воздействие условий на или около максимальных рейтингов может отрицательно повлиять на надежность устройства.
Профиль миссии устройства, в котором изложены условия применения, придерживается квалификационного стандарта JEDEC JESD47, с расширенными профилями миссий, доступными по запросу.
Чтобы достичь стабильности для первичного регулятора, внешний конденсатор, помеченный CEXT, должен быть подключен к контакту VCAP.Важно обеспечить, чтобы индуктивность серии оставалась ниже 15 NH.
Текущее потребление измеряется, как показано на следующей картине.

Общее потребление тока снабжения в режиме запуска
MCU расположен в следующих условиях:
• Все периферийные устройства отключены (часы останавливаются регистрами периферических часов), за исключением случаев, когда явно упоминался.
• Все контакты ввода/вывода в режиме ввода со статическим значением при VDD или VSS (без нагрузки)
С учетом общих условий эксплуатации для VDD и TA.

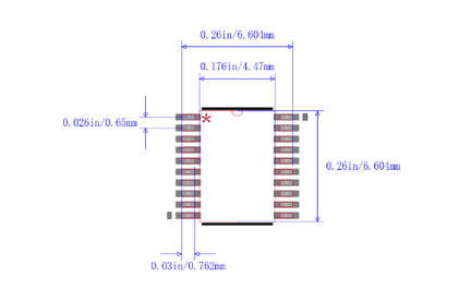
STM8S103F3P6 имеет 20 контактов, его имена и функции выводов следующие:
PIN1 (PD4/ BEEP/ TIM2_ CH1/ UART1 _CK): Порт D4
PIN2 (PD5/ AIN5/ UART1 _TX): Порт D5
PIN3 (PD6/ AIN6/ UART1 _RX): Порт D6
PIN4 (NRST): сбросить
PIN5 (PA1/OSCIN): Порт A1
PIN6 (PA2/OSCOUT): порт A2
PIN7 (VSS): цифровая земля
PIN8 (VCAP): 1,8 В конденсатор регулятора
PIN9 (VDD): цифровой источник питания
PIN10 (PA3/ TIM2_ CH3 [SPI_ NSS]): Порт A3
PIN11 (PB5/ I2C_ SDA [TIM1_ BKIN]): Порт B5
PIN12 (PB4/ I2C_ SCL): порт B4
PIN13 (PC3/ TIM1_CH3 [TLI] [TIM1_ CH1N]): Порт C3
PIN14 (PC4/ CLK_CCO/ TIM1_ CH4/ AIN2/ [TIM1_ CH2N]): Порт C4
PIN15 (PC5/ SPI_SCK [TIM2_ CH1]): Порт C5
PIN16 (PC6/ SPI_MOSI [TIM1_ CH1]): Порт C6
PIN17 (PC7/ SPI_MISO [TIM1_ CH2]): Порт C7
PIN18 (PD1/ Swim): порт D1
PIN19 (PD2/ AIN3/ [TIM2_ CH3]): Порт D2
PIN20 (PD3/ AIN4/ TIM2_ CH2/ ADC_ ETR): Порт D3
Как показано на рисунке выше, чип STM8S103F3P6 имеет до 16 контактов ввода/вывода, которые можно использовать для различных целей, таких как GPIO, периферические интерфейсы, АЦП и т. Д.используется в качестве входных контактов для чтения внешних сигналов или в качестве вывода для отправки сигналов на внешние устройства.Кроме того, каждому штифту ввода -вывода может быть независимо назначать вектор прерывания для облегчения точной обработки прерываний, когда они возникают.
• Системы автоматизации: этот микроконтроллер можно использовать в системах автоматизации, таких как электрические шторы, системы управления доступом, управление температурой и управление освещением.
• Приложение IoT (Интернет вещей): Если нам нужно разработать устройства IoT, его можно использовать в качестве контроллера для узлов IoT для подключения и управления различными датчиками и модулями связи.
• Персональные электронные устройства: используются в цифровых камерах, игроках в MP3 и MP4, электронные игровые приставки и т. Д.
• Электронное оборудование: используется для разработки различного электронного оборудования
, такие как электронные игрушки, дистанционное управление, мини -калькуляторы и т. Д.
• Промышленное поле: используется в ПЛК, промышленные контроллеры, автоматизация процессов и оборудование для автоматического управления корабля и т. Д.
• Интерфейс сбора данных и интерфейс датчика: используется для мониторинга условий окружающей среды и сбора данных или для подключения различных датчиков, таких как датчики света, датчики температуры и датчики влажности.
• Встроенная система управления: используется для проектирования различных встроенных систем управления, таких как бытовые приборы, промышленное оборудование, электроинструменты и т. Д. Его 8-битная мощность обработки достаточна для многих простых задач управления.
STM8S103F3P6 - это микроконтроллер, разработанный STMicroelectronics.Он принадлежит к семейству 8-битных микроконтроллеров STM8 и широко используется в различных встроенных системах и приложениях IoT.
Блок микроконтроллера STM8S103F3P6 имеет 640-битный ПЗУ, 10-битный 5-канальный АЦП, 1 КБ ОЗУ и с размером памяти программы 8 КБ.
Мы можем заменить STM8S103F3P6 на MSP430G2353, PIC16LF18444T, STM8S103F3P3, STM8S103F3P3TR или STM8S103F3P6TR.
Да, STM8S103F3P6 разработан с функциями с низким энергопотреблением и может использоваться в приложениях с батарейным батарейным мощным или низким энергопотреблением, где необходима энергоэффективность.
Некоторые ключевые функции STM8S103F3P6 включают в себя контакты GPIO (вход/вывод общего назначения), связь UART (универсальный асинхронный приемник/передатчик), I2C (межинтегрированная схема), связь SPI (последовательный периферический интерфейс), таймеры и многое другое.
О нас
Удовлетворенность клиентов каждый раз.Взаимное доверие и общие интересы.
Технические характеристики литий -монетной ячейки CR2354
2024-08-02
Комплексное руководство по микроконтроллеру ATMEGA328-PU
2024-08-02
Эл. адрес: Info@ariat-tech.comHK TEL: +852 30501966ДОБАВЛЯТЬ: Rm 2703 27F Ho King Comm Center 2-16,
Fa Yuen St MongKok Коулун, Гонконг.